當前位置: 滾珠絲桿網 ? 5010滾珠絲桿 ? SCI5010滾珠絲桿
SCI5010滾珠絲桿
雷研精密傳動設備有限公司供應SCI5010滾珠絲桿【貨源充足、價格合理、原裝正品、品牌齊全】請需要SCI5010滾珠絲桿的朋友聯系:黃志杰(經理)? 聯系電話:15802034588。
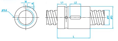
SCI5010滾珠絲杠參數
型號:SCI5010
絲桿外徑:50
導程:10
珠徑:6.35
螺母外徑:72
螺母的長度:85
珠圈數:1×4
動額定負荷:6004
靜額定負荷:19614
剛性:83。
【滾珠絲杠支承軸承的選用】
? 由于絲杠主要承受軸向力,大多采用推力軸承作支承。在相同尺寸條件下,推力球軸承軸向剛度比向心推力球軸承及圓錐滾子軸承的軸向剛度要大一倍以上;推力滾柱軸承剛度又比推力球軸承大一倍左右。當軸向載荷較小時,可不用推力球軸承而用向心推力球軸承,這樣可減少軸承數量。
瀏覽SCI5010滾珠絲桿的用戶還會?
DFS5010滾珠絲杠、SFU5010滾珠絲杠、DFI5010滾珠絲杠等。
滾珠絲杠討論①群263545937(專家在線為你解答)歡迎你的加入!
版權所有 © 轉載時必須以鏈接形式注明作者和原始出處!


