當前位置: 滾珠絲桿網 ? 3210滾珠絲桿 ? SFI3210滾珠絲桿
SFI3210滾珠絲桿
雷研精密傳動設備有限公司供應SFI3210滾珠絲桿【貨源充足、價格合理、原裝正品、品牌齊全】請需要SFI3210絲杠的朋友聯系:黃志杰(經理)? 聯系電話:15802034588。
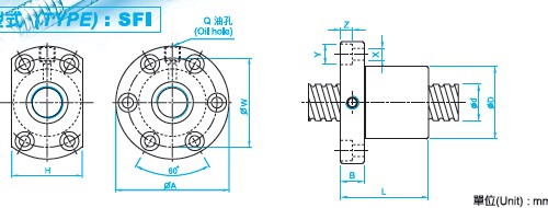
SFI3210滾珠絲杠參數
型號:SFI3210
絲桿外徑:32
導程10
珠徑:6.35
螺母外徑:54
法蘭直徑:88
法蘭的厚度:15
螺母的長度:90
安裝孔之間的距離:70
法蘭的寬度:62
珠圈數:1×4
動額定負荷:4805
靜額定負荷:12208
剛性:62。
【選擇滾珠絲杠副精度的原則是】
??? (1)要滿足主機定位精度的要求滾珠絲杠副的綜合行程誤差大約為主機定位誤差的(30-40)%。
??? (2)要合理選擇滾珠絲杠副的精度,盲目提高精度等級是不經濟的。相同尺寸規格的精度滾珠絲杠副,每提高一個精度等級,成本增加30%以上。而且由于制造周期相應加長,延長了交貨期。
瀏覽SFI3210滾珠絲桿的用戶還會?
DFU3210滾珠絲桿、SCI3210滾珠絲桿等。
滾珠絲杠討論①群263545937(專家在線為你解答)歡迎你的加入!
版權所有 © 轉載時必須以鏈接形式注明作者和原始出處!


